

发布时间:2024/06/03
撰稿:产品应用方案事业部 王照远
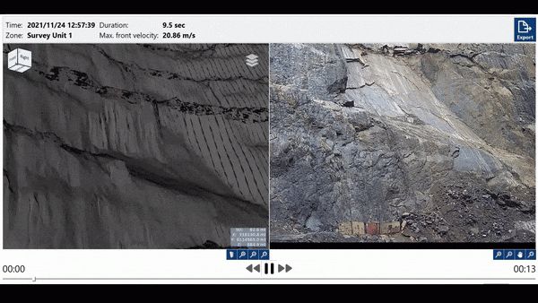
IDS RockSpot 动态追踪雷达监测系统集多普勒干涉雷达、高清相机、定位通讯模块于一体,可对滚石、泥石流、雪崩等瞬时、突变事件进行高频动态定位追踪,并在软件端记录和可视化事件下落轨迹、速度、位置、时间等详情信息,支持邮件、短信、警报器等多种方式即时报警。
![]()
系统组成
![]()
产品特点
高频检测 动态追踪
可对滚石、泥石流、雪崩等瞬时突变事件进行检测、定位、高频动态追踪并可视化事件下落轨迹!
![]()
精准监测 实时报警
系统检测到滚石、泥石流等事件后,可通过邮件、短信、信号灯等方式进行警报提醒,或结合路障系统自动封锁现场,高度保障监测现场安全!

超大范围 一机覆盖
超远距离非接触式监测,单个雷达单元即可覆盖大范围监测区域,可满足滚石、泥石流、雪崩等场景监测需求,一机多用,物有所值!
![]()
API接口 万物互联
IDS RockSpot系统监测成果可通过网络集成至GeoCloud管理平台,支持通过API将数据无缝链接至第三方平台,打破信息孤岛,实现与各类平台互联互通!
![]()
创新突破 多元融合
IDS RockSpot系统与现有的海克斯康监测传感器(如IDS IBIS系列、IDS Hydra边坡监测雷达)互为补充,构建更加完善的海克斯康监测解决方案,实现灾前(缓动)早期预警、临灾或灾情(快动)报警,锦上添花,强强联合!
![]()
行业应用
IDS RockSpot系统创新的基于多普勒干涉雷达技术,可有效监测滚石、泥石流、雪崩等瞬时、突变场景。
![]()
欢迎致电徕卡测量客户呼叫中心
400-670-0058

